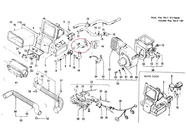
New heater hose for Datsun 260Z and 280Z from August of 1973 to 1978. This coolant hose goes from the heater core under the dash to the firewall bulkhead connector. Choose from OEM Nissan or aftermarket. See #17 in diagram. 90 degree bend, approx 5.5" overall length.
* #16 hose is PT# 200-469-1

